This is an old revision of the document!
Table of Contents
The Keihin VD carburetor
Here some details about the carburetors mounted on the Honda NTV 650 Revere. They are two Keihin VD carburetors marked as G4AACDt. They are constant velocity (CV) carburetors, that uses engine vacuum to operate a diaphragm-controlled slide, rather than a direct cable connection.
Nomenclature
- Jet needle
- Main jet
- Needle jet
- Slow jet
- Pilot screw
- Float valve
- Choke valve
- Air cut off valve
NOTICE: The terms slow, idle, and pilot are used more or less interchangeably in Honda manuals and Keihin carburetor documentation.
- Float bowl
- Drain screw.
- Drain conduct.
Carburetor Functioning
Excerpts from the Service Manual of military motorcycle Harley Davidson MT-350.
Fuel Supply System (Figure 3-3)
Theory of Operation - Fuel from the fuel tank passes through the inlet valve into the float chamber. The fuel entering the chamber causes the float to rise until it shuts off the fuel valve, stopping flow at a level pre-determined by float level setting.
The float chamber is vented to atmosphere through an air passage opening in the air cleaner mounting flange.
Starter System (Figure 3-4)
The starting circuit consists of a cable actuated starter valve and converging fuel and air passages in the carburetor body.
Fuel metered through the enrichener jet is directed upward through a passage to the valve chamber. The sarter valve opens the fuel passage to the carburetor venturi (vacuum side) when the enrichener knob is pulled outward. Air fom an opening in the carburetor inlet is directed to the valve chamber, where it mixes with incoming fuel.
Low pressure, (vacuum) created by the downward stroke of the engine pistons, causes the higher pressure in the float chamber to force the fuel/air mixture through the fuel/air outlet passage in the carburetor venturi.
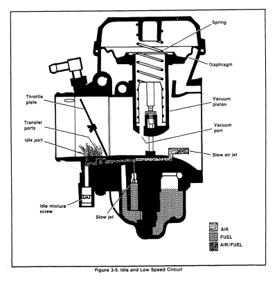
Idle and Low Speed Circuit (Figure 3-5)
At idle, with the throttle plate closed and the air stream cut off, idle speed is maintaned by fuel metered through the slow jet. Air from the slow air jet mixes with the fuel and is delivered to the idle port at the vacuum side of the throttle plate. At low speed as the throttle plate is cracked open the transfer ports are exposed to the vacuum side of the throttle plate and additional fuel is directed to the barrel of the carburetor. With the throttle plate cracked open a quantity of fuel also enters the air stream fom the needle jet. The idle and transfer ports supply additional fuel to the carburetor barrel to assist during the transition period from idle to mid range.
The venturi opening is reduced by the low positon of the vacuum piston. This enables initial air stream velocities to be higher than normaly attainable with fixed venturi carburetors. The higher air stream velocities provide greater quantities of fuel necessary for good acceleration.
MidRange Slide Position and Fuel Discharge (Figure 3-6)
As te throttle plate is opened, air flow increases through the carburetor and the pressure drop in the venturi near the needle jet increases.
The low pressure in the venturi travels through the vacuum port in the vacuum piston to the chamber above the diaphragm. The chamber beneath the diaphragm is vented to atmospheric pressure by a passage from the chamber to the carburetor inlet. The higher pressure at the underside of the diaphragm overcomes spring pressure and moves the vacuum piston upward in proportion to the pessure difference between chambers.
The tapered needle moves upward with the vacuum piston, opening the needle jet. The higher pressure in the float chamber forces fuel into the needle jet passage. Air at atmospheric pressure from the main air jet is forced through the main bleed tube opanings and mixes with the fuel. The fuel/air mixture is then delivered through the needle jet ino the air stream.
High Speed Circuit Slide Position and Fuel Discharge (Figure 3-7)
As the throtte plate is opened, the pressure difference betwneen the chambers above and below the diaphragm increases and the vacuum piston moves further upward.
The venturi opening increases and the needle is lifted further out of the the needle jet. The quantity of fuel and the volume of air are simultaneously increased and metered to the proportions of engine demand by the variable venturi and needle lift. With the vacuum piston fully upward, the venturi opening is fully enlarged and the needle jet opening exposure to the air stream is at its maximum, Air and fuel supplies are now available in quantities sufficient to meet all engine demands.
The air cut off valve
The pilot screw
The Pilot screw is on the engine side of the carb, located after the pilot jet, it is a fuel screw.
- Turning it IN (tightening clockwise) reduces fuel flow, leaner mixture
- Effects:
- Harder cold start.
- Lower idle speed.
- Possible hesitation off idle.
- Lean deceleration popping.
- Turning it OUT (loosening counterclockwise) increases fuel flow, richer mixture
- Effects:
- Smoother idle.
- Better throttle pickup.
- Easier starting.
- Reduced decel popping.
















